Google Cloud Next ‘20: OnAirにて自社開発の製造見積AIシステムをデモ展示

世界最大のGoogle Cloud製品展示会である「Google Cloud Next ‘20: OnAir(2020年7月14日〜9月8日 太平洋時間)」にて、株式会社カブクのオンデマンド製造プラットフォーム「Kabuku Connect(カブクコネクト)」を支える製造見積AIシステムをUse AI in Manufacturing for Increased Productivityと題してデモ展示いたします。
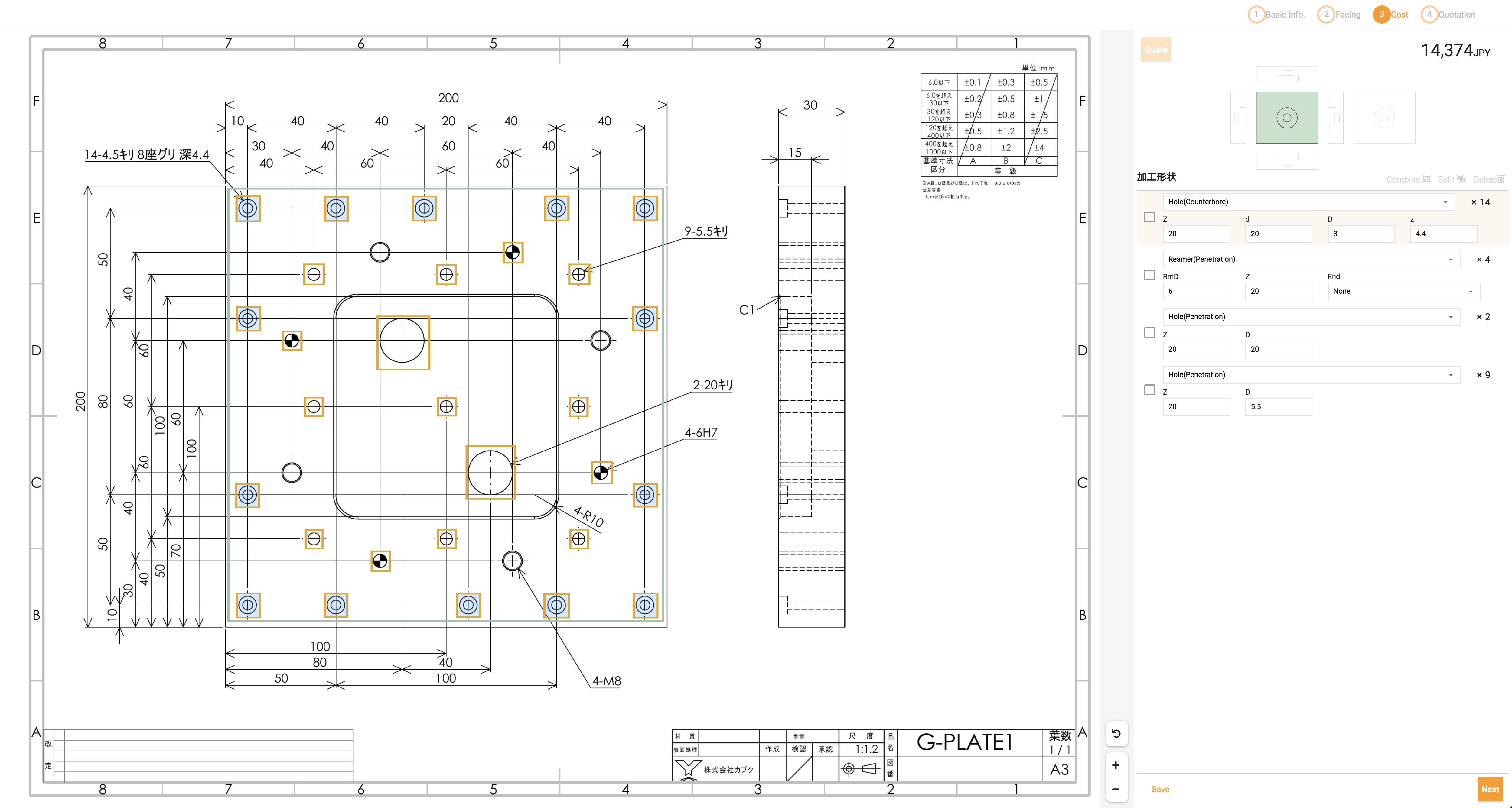
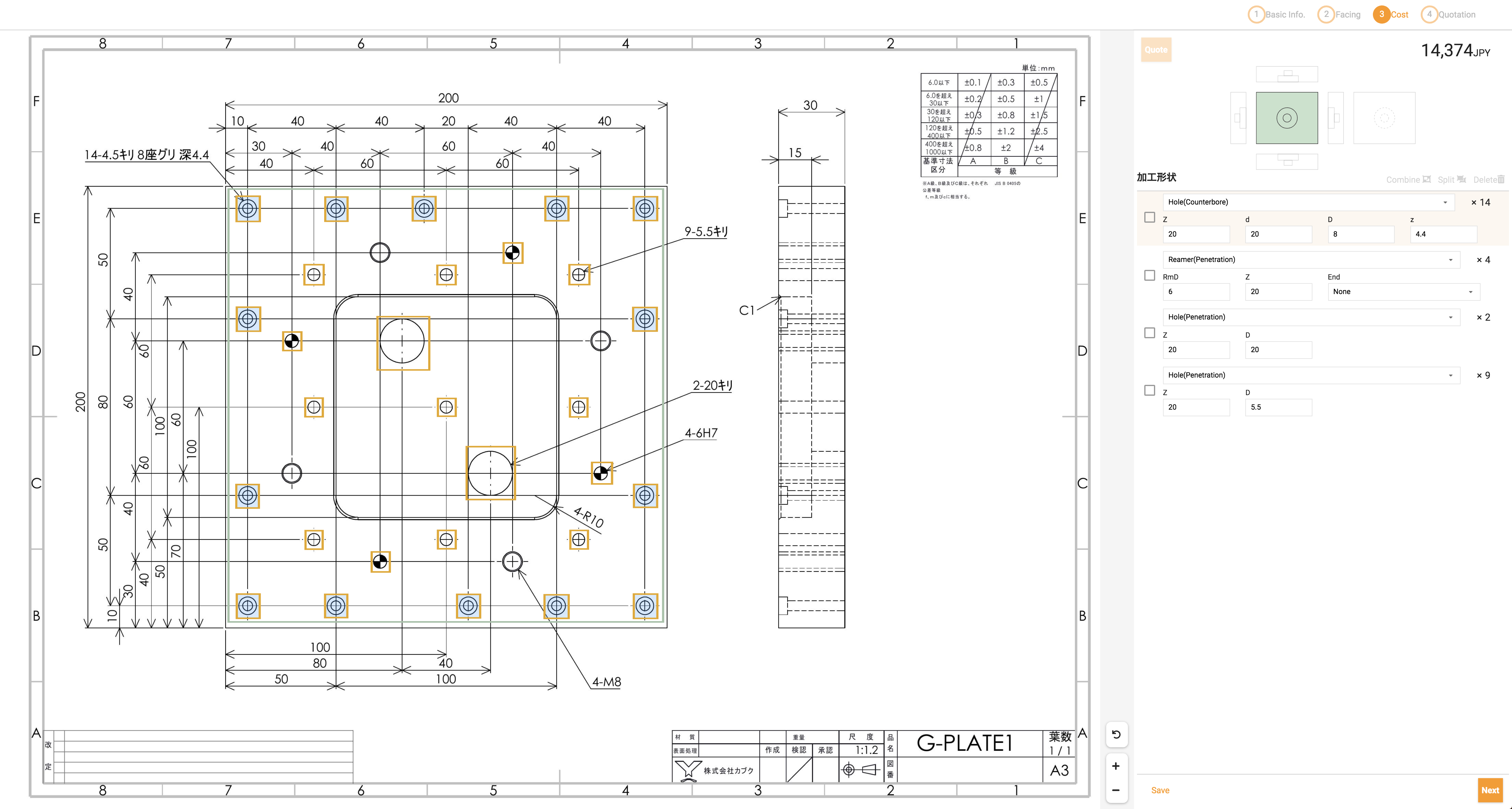
本展示では、Kabuku Connect上で展開する「即時見積サービス」で活用している自社開発の製造見積AIシステムについて説明しています。
本システムはAIによる2D図面認識機能と業務を通してAIを進化させるアクティブ・ラーニング機能で構成されます。
2D図面認識機能により、これまで熟練の技能者が時間とコストを掛けて行っていた見積り作業を、非熟練技能者でも短時間で正確に実施することが可能になります。本機能はTensorFlow.jsを活用しブラウザ上で低遅延で動作するため、ストレスなく業務を進めることができます。

アクティブ・ラーニング機能は、業務を通して作成されるデータを元にAIを追加学習することで、継続的にAIの図面認識精度を向上させることができます。
これにより、業務でよく取り扱う図面の特徴についてAIの精度を自動で高めることができ、また、新しい加工形状などをAIが自動で認識できるようになります。
本機能はAIの実用化において重要であると言われている、MLワークフローを自動化するCloud AI Platform Pipelinesを活用し実現しています。


展示は動画にて配信されていますので、下記URLにアクセスいただき「Use AI in Manufacturing for Increased Productivity」を御覧ください。
その他の新着情報
Other News
2025/12/01
2025/11/25
年賀状廃止のお知らせ
2025/09/25
オンデマンド製造プラットフォーム「Kabuku Connect」にて3Dプリント素材を4種追加、最大77%価格を抑え選択肢をさらに拡充
2025/05/12
双葉電子工業株式会社および当社グループを装った詐欺メールにご注意ください
2024/05/23
オンデマンド製造プラットフォーム「Kabuku Connect」において製罐(溶接)の対応開始、より広範囲な工法・材質で見積りから調達までサポート可能に。
2023/12/26
カブクが提供する双葉電子工業の「フタバオーダーサイト」向け「Plate Builder(プレートビルダー)」、対応範囲の大幅拡大のお知らせ
2023/11/27
非鉄金属材料の大手商社白銅株式会社と協業、生産財ECサイト「白銅ネットサービス」における切削加工品のデジタル調達サービス開発を、カブクの「Plate Builder」の機能提供により支援
2023/06/19
事業譲渡のご案内
2023/06/16
6月21日(水)から開催される『 第28回 機械要素技術展』にて製造業のデジタルトランスフォーメーションを実現するサービスを展示します
2023/03/23
クラウド加工原価見積りサービス「Cost PRO(コストプロ)」は新たに11種類の材質に対応、合計39種類の材質を見積り可能に。
2023/03/09
クラウド加工原価見積りサービス「Cost PRO(コストプロ)」にて角物・板物を対象とした外形切削への対応を開始、高精度の製品図面が見積り可能に。
2023/02/16
クラウド加工原価見積りサービス「Cost PRO(コストプロ)」にて6面研削への対応を開始、金型関連メーカーのお客様へ向けさらに便利に。
2023/02/02
クラウド加工原価見積りサービス「Cost PRO(コストプロ)」にて、加工形状の対応範囲拡大、操作画面の大幅リニューアルを行いさらに便利に。
2022/12/22
クラウド加工原価見積りサービス「Cost PRO(コストプロ)」にて、製品サイズ別に段取時間、公差に関する時間の設定が可能に。
2022/11/28
クラウド加工原価見積りサービス「Cost PRO(コストプロ)」にて、丸物の見積対象・登録可能サイズを大幅に拡大し、さらに便利に。
2022/11/07
11月8日(火)から開催される『JIMTOF 2022 第31回 日本国際工作機械見本市』に出展する弊社のサービスをご紹介します
2022/10/27
クラウド加工原価見積りサービス「Cost PRO(コストプロ)」にて、案件登録・管理をより簡単・便利にする「PDF回転機能」をリリース。
2022/10/19
JIMTOF 2022 第31回 日本国際工作機械見本市 にて、製造業のデジタルトランスフォーメーションを実現するサービスを展示します
2022/09/29
クラウド加工原価見積りサービス「Cost PRO(コストプロ)」にて、最大登録図面数の拡大やPDF分割など、案件登録・管理をより便利にする3つの機能をリリース。
2022/08/18
クラウド加工原価見積りサービス「Cost PRO(コストプロ)」にて、切削品以外の工法の図面を登録・保管できる機能を追加、案件管理がさらに便利に。
2022/06/23
クラウド加工原価見積りサービス「Cost PRO(コストプロ)」にて対応サイズの拡大、案件複製機能を新たに追加、さらに見積算出が便利に。
2022/06/20
第34回 設計・製造ソリューション展 にて、製造業のデジタルトランスフォーメーションを実現するサービス・最新技術を展示します
2022/05/26
クラウド加工原価見積りサービス「Cost PRO(コストプロ)」にて対応加工形状にトレース機能を追加、段・溝等の自由曲線の計測が可能になりさらに見積算出が便利に。
2022/05/24
第34回 設計・製造ソリューション展 にて、製造業のデジタルトランスフォーメーションを実現するサービスを展示します
2022/04/21
クラウド加工原価見積りサービス「Cost PRO(コストプロ)」にて対応加工形状を拡大、管用ねじ穴への対応開始でさらに見積算出が便利に。
2022/03/24
カブク、クラウド加工原価見積りサービス「Cost PRO(コストプロ)」にて幾何公差の対象範囲を拡大、さらに見積算出が便利に。
2022/03/14
3月16日(水)から開催される『第26回 機械要素技術展』に出展する弊社の最新技術をご紹介します
2022/03/10
クラウド加工原価見積りサービス「Cost PRO(コストプロ)」にて幾何公差の複数選択が可能に、見積範囲を拡張しさらに便利に。
2022/02/24
クラウド加工原価見積りサービス「Cost PRO(コストプロ)」にて丸物の熱処理見積に対応、さらにお知らせ機能を追加し最新情報をいち早くお届け。
2022/02/16
第26回 機械要素技術展 にて、製造業のデジタルトランスフォーメーションを実現するサービス・最新技術を展示します
2022/02/14
クラウド加工原価見積りサービス「Cost PRO(コストプロ)」にて金型用途の材質を中心に16種類追加、旋盤加工の対応形状も拡張し、見積算出をさらに便利に。
2022/01/20
クラウド加工原価見積りサービス「Cost PRO(コストプロ)」に見積設定をより早く行えるサポート機能追加、見積開始までの設定時間を大幅短縮。
2021/12/22
中小企業庁の下請中小企業取引機会創出事業者の第1号企業として認定されました
2021/12/07
クラウド加工原価見積りサービス「Cost PRO(コストプロ)」に検索機能を追加、過去の見積実績や類似図面へのアクセスがよりスムーズに。
2021/12/02
簡易設計・調達サービス「Plate Builder」と双葉電子工業提供の生産器材ECサイト「フタバオーダーサイト」が連携開始、フタバオーダーサイトで加工付き6面体プレートの購入が可能に。
2021/11/17
クラウド加工原価見積りサービス「Cost PRO(コストプロ)」の対応処理範囲に熱処理を追加、金型関連企業での加工原価算出をより強固にサポート。
2021/10/29
新サービス「部品ライブラリ」をリリース、特注治具・部品の3Dデータ無償提供により機械設計を強力に支援
2021/10/07
京セラの切削工具選定サービス「ツールナビゲーター」の開発と運営をクラウド加工原価見積りサービス「Cost PRO」の提供により包括的に支援。
2021/09/30
クラウド加工原価見積りサービス「Cost PRO(コストプロ)」の対応工法にワイヤー加工を追加、自由曲線の加工などさらに多様な工法での見積算出が可能に。
2021/07/29
クラウド加工原価見積りサービス「Cost PRO(コストプロ)」の対応工法に旋削加工を追加、丸物の加工原価見積の算出が可能に。
2021/07/27
製造業の業務効率化を促進しデジタルトランスフォーメーションを実現する弊社のビジネスモデルが「2021年版ものづくり白書」(経済産業省・厚生労働省・文部科学省)に掲載されました
2021/06/14
IT導入補助金2021において経産省より「IT導入支援事業者」に認定、最大で75万円(導入費用の2/3)の補助金の交付が受けられます。
2021/06/03
クラウド加工原価見積りサービス「Cost PRO(コストプロ)」の対応工法に平面研削を追加、高精度品における見積取得が可能に。
2021/05/19
クラウド加工原価見積りサービス「Cost PRO(コストプロ)」の対応材質を拡大、より幅広い材質での見積算出が可能に。
2021/04/27
Kabuku Connect「即時見積サービス」に自動見積対象の3Dプリント用樹脂素材4種を追加、3Dプリント用素材数の取扱数で国内業界No.1に。
2021/02/16
「スマートファクトリー EXPO 2021春 」にて、最新のサービスと製造業のデジタルトランスフォーメーションを実現する最新のサービスを展示します
2021/02/09
「設計製造・AI・IoT・DX バーチャルオンライン展示会 2021 冬 」にて、最新のサービスと製造業のデジタルトランスフォーメーションを実現する最新のサービスを展示しています
2021/01/14
製造業向け業務効率化支援ソフトウエアサービス群「Kabuku Cloud」においてクラウド加工原価見積りサービス「Cost PRO(コストプロ)」の提供を開始、AI搭載で熟練の技能者と同水準の見積を算出可能に。
2020/12/08
弊社事業がNEDOの「Connected Industries推進のための協調領域データ共有・AIシステム開発促進事業/サプライチェーンの迅速かつ柔軟な組換えに資するデジタル技術の開発支援」の助成事業に採択されました
2020/12/02
オンデマンド製造プラットフォーム「Kabuku Connect」に3Dプリント用金属・樹脂材料を追加。豊富な材料でさらに多種多様な要望にお応えします。
2020/10/08
製造業向け業務効率化支援ソフトウエアサービス群「Kabuku Cloud(カブククラウド)」の提供を開始、第一弾としてオンライン図面シェアリングサービス「図面コミュニケーション」をリリース。
2020/10/06
双葉電子工業の金型内計測システムIoTクラウドサービス「MMS Cloud」を共同開発
2020/09/24
オンデマンド製造プラットフォーム「Kabuku Connect」とアールエスコンポーネンツ社の無料3D CAD「DesignSpark Mechanical」が連携開始、3Dデータの作成後即時見積が可能に。
2020/09/23
オンデマンド製造プラットフォーム「Kabuku Connect」にて簡易設計調達サービスの正式版提供を開始、β版から機能と対応範囲を拡充して加工付きプレート図面の作成から発注までオンラインで完結可能に。
2020/09/15
Formnext Forum Tokyo 2020 にて企業展示及び代表取締役足立の登壇を行います
2020/07/02
オンデマンド製造プラットフォーム「Kabuku Connect」にて簡易設計調達サービスβ版の提供を開始、加工付きプレート図面の作成から発注までオンラインで完結可能に。
2020/04/30
「rinkak」サービス終了のご案内
2020/03/11
製造業のデジタルトランスフォーメーション(DX)を実現する弊社の最新技術をご覧いただけるWeb展示会のページを公開しました
2020/02/26
【重要】第24回 機械要素技術展 出展対応について
2020/02/25
2月26日(水)から開催される第24回 機械要素技術展 に出展する弊社の最新技術をご紹介します
2020/02/20
オンデマンド製造プラットフォーム「Kabuku Connect」に機械設備の一括見積サービスを追加、設備一式の製造を依頼可能に。
2020/02/17
第24回 機械要素技術展 にて、最新のサービスと製造業のデジタルトランスフォーメーションを実現する最新技術を展示します
2020/02/06
オンデマンド製造プラットフォーム「Kabuku Connect」において板金・旋削加工品の対応開始、より広範囲な工法・材質で見積りから調達までサポート可能に。
2020/01/22
オンデマンド製造プラットフォーム「Kabuku Connect」に構造用鋼・SUS・樹脂を追加。加工部品の見積り・調達がさらに便利に
2019/12/11
オンデマンド製造プラットフォーム「Kabuku Connect」を大幅アップデート、見積り・発注工数のさらなる低減を実現するサービスを提供
2019/08/21
複数のAIが互いの利害を自動調整するための検証環境が 国際業界団体「IIC」から承認 ~本テストベッドの参画拡大により、社会実装の普及を推進~
2019/07/30
「Maker Faire Tokyo 2019」にてAR技術を用いて作成した対戦ゲームを出展します
2019/07/09
カブク、「MONETコンソーシアム」に参画。MaaS開発にデジタルものづくりで貢献
2019/07/05
「2019 Japan Altair テクノロジーカンファレンス 」に金属・CFRPの3Dプリント品を出展します
2019/07/03
金属3Dプリント製造を安価に提供。オンデマンド製造プラットフォームKabuku Connectに3Dプリント製造向け即時見積機能を提供開始。
2019/07/02
取締役の辞任に関するお知らせ
2019/05/21
ロボティクス・メカトロニクス講演会2019 にてデザイン・製造サポート事例を出展します
2019/04/24
人とくるまのテクノロジー展 2019 に自動運転車のデザイン・製造サポート事例を出展します
2019/03/13
「Japan Automotive AI Challenge 自動運転AIチャレンジ」のゴールドクラスサポーターとして競技大会を支援します。
2019/03/06
カブク、コクヨと3Dプリント製品 『TRANS TOOLS』 を共同開発し、 東京・千駄ヶ谷『THINK OF THINGS』で3月12日(火)から展示・限定販売
2019/02/20
東京大学 産学協創推進本部 本郷テックガレージにて開催されたパネルセッションへ、取締役会長・創業者 稲田が登壇しました。
2019/02/19
FabcafeMTRL勉強会にインダストリアルデザイナーが登壇します
2019/01/22
第一回 次世代3Dプリンタ展にオンデマンド受託製造サービス「Kabuku Connect」を出展します
2018/12/12
《テレビ出演情報》「田村淳のBUSINESS BASIC」に弊社創業者会長 稲田が出演しました
2018/12/03
カブク、ティアフォーが開発する配送・配達サービス用AIモビリティ「Postee(ポスティー)」を デザインとオンデマンド製造サービスにて包括的に支援
2018/11/22
《イベント登壇情報》日本最大級のデザインカンファレンス「Designship」のセッションにてインダストリアルデザイナーが登壇します
2018/11/08
《メディア掲載情報》「CINRA.NET」にて弊社会長稲田のインタビュー記事が掲載されました
2018/11/08
《メディア掲載情報》「歌舞伎町文化新聞」にて弊社会長稲田のインタビュー記事が掲載されました
2018/11/08
新規経営体制に関するお知らせ
2018/10/16
《メディア掲載情報》日刊工業新聞にてアンシス・ジャパンとの連携について掲載いただきました
2018/10/01
《イベント登壇情報》「ANSYS INNOVATION FORUM 2018」にてインダストリアルデザイナーが講演します
2018/09/18
【9月21(金)】カブクCTO足立氏と学ぶ!ビジネスでの機械学習の活用と最新事例セミナー開催のお知らせ
2018/09/18
【9月19(水)】カブクとDIVE INTO CODEで機械学習セミナー開催のお知らせ
2018/09/15
【9月18(火)・20(木)・24(月)】カブクとDIVE INTO CODEで機械学習セミナー開催のお知らせ
2018/09/13
9月21日(金)ANSYS×Kabuku共同企画デザイン設計フロー短縮セミナー ~実際に3Dプリントする実践型~を開催いたします
2018/08/03
《イベント出展情報》8月4日(土)から東京ビックサイトで開催される「Maker Faire Tokyo 2018」にカブク「ものづくり部」が出展します
2018/07/06
関西経済連合会監修の「IoT・AI等活用事例集」に弊社事例を取り上げていただきました
2018/06/20
《展示会出展情報》6月20日(水)から東京ビッグサイトで開催される「設計・製造ソリューション展」にオンデマンド製造のカブクが出展します
2018/06/14
《講演情報》「次世代モビリティービジネス研究会」にてインダストリアルデザイナーが講演します
2018/05/29
《展示会出展情報》5月30日(水)から東京ビッグサイトで開催される「スマートファクトリーJapan」にオンデマンド製造のカブクが出展します
2018/05/28
《メディア掲載情報》「博報堂マーケティングエグゼクティブ」にて代表稲田のトークセッション記事が掲載されました
2018/05/24
「2018 ACC TOKYO CREATIVITY AWARDS」にて代表の稲田が審査員を務めさせていただきます
2018/05/17
《展示会出展情報》5月23日(水)からパシフィコ横浜で開催される「人とくるまのテクノロジー」にオンデマンド製造のカブクが出展します
2018/04/09
経産省 特許庁の「一歩先行く国内外ベンチャー企業の知的財産戦略事例集」にカブクをご紹介いただきました
2018/04/06
《イベント登壇情報》5月7日から開催の「Unite Tokyo 2018」にエンジニアの高橋が登壇します
2018/03/30
《登壇情報》4/19(木)開催の「Japan Container Days v18.04」に弊社エンジニア吉海が登壇します
2018/02/20
《メディア掲載情報》「Dream Gate」にて代表稲田のインタビュー記事が掲載されました
2018/02/06
《展示会出展情報》2月14日(水)から東京ビックサイトで開催される「3D Printing 2018」に出展します
2018/01/26
《講演情報》「川崎市高津工友会 青年部」にて代表の稲田が講演しました
2018/01/24
《フォーラム登壇情報》「グローバル知財戦略フォーラム」に代表の稲田が登壇しました
2018/01/16
カブク、ティアフォーが開発する物流用AIモビリティ「Logiee(ロージー)」を デザインとオンデマンド製造サービスにて包括的に支援
2018/01/08
《メディア掲載情報》日経新聞朝刊「スタートアップと『年の差婚』」にてカブクをご紹介いただきました
2017/12/26
《メディア掲載情報》日経新聞・日経産業新聞「起業家と連携しものづくり変革 ローランド・ベルガー」にてカブクをご紹介いただきました
2017/12/11
カブク、自動運転技術のティアフォーと協業、 デザインとオンデマンド製造サービスにて包括的に支援 〜大学発自動運転ベンチャーと協業し、自動運転モビリティのエコシステムを構築〜
2017/10/18
《メディア掲載情報》オープンイノベーションプラットホーム「eiicon」に弊社代表インタビューを掲載いただきました
2017/10/11
「ILS2017 TOP100 スタートアップ」に選出されました
2017/09/17
《登壇情報》川崎市・公益財団法人川崎市産業振興財団主催の「第四次産業革命時代のものづくりの新潮流 」IoTセミナーに代表稲田が登壇しました
2017/09/14
《登壇情報》「Autodesk University Japan」にインダストリアルデザイナーが登壇します
2017/09/13
《メディア掲載情報》日経新聞連載DeepInsight「次のものづくり覇権誰に?」カブクについて掲載いただきました
2017/08/28
カブク、双葉電子工業の連結子会社化
2017/08/04
《イベント出展情報》「Maker Faire Tokyo 2017」にカブクがブース出展します
2017/08/01
《イベント登壇情報》「Google for Mobile I/O RECAP 2017」にCTOの足立が登壇します
2017/07/28
《メディア掲載情報》日経産業新聞に博報堂コンサルティング・アジア・パシフィックと共同提供を開始した「Agile Future Emerging Program」について掲載いただきました
2017/07/25
《メディア掲載情報》Forbes JAPAN9月号に 「CONNECTED INDUSTRIES」を支えるスタートアップ10選として掲載されました
2017/07/24
カブク、博報堂コンサルティング・アジア・パシフィックと共同し「Agile Future Emerging Program」を提供開始
2017/07/13
《メディア掲載情報》日経BigGateにてローランド・ベルガー長島社長と代表稲田の対談記事が掲載されました
2017/06/29
《登壇情報》「次世代自動車ビジネス研究会」にインダストリアルデザイナーが登壇します
2018/06/26
《メディア掲載情報》Autodesk RedshiftにKabuku Connectが取り上げられました
2017/06/23
《出版情報》弊社エンジニアあんどうやすしが翻訳した電子書籍「週末レイトレーシング」が発行されました
2017/06/20
6月21日(水)から東京ビックサイトで開催される「第 28 回 設計・製造ソリューション展(DMS)」に出展します
2017/06/19
《イベント登壇情報》オートデスク社が出展する「第 28 回 設計・製造ソリューション展(DMS)」のトークショーにてインダストリアルデザイナーが登壇します
2017/06/14
《登壇情報》社会情報大学院大学にて代表稲田が講義を行いました
2017/06/13
《メディア掲載情報》Autodesk MFG OnlineにHondaとの共同製作の超小型電気自動車が取り上げられました
2017/06/07
《メディア出演情報》日経CNBCの「世界は今-JETRO Global Eye」に代表稲田が出演します
2017/05/23
「ACC TOKYO CREATIVITY AWARDS」にて弊社代表稲田が審査委員を務めます
2017/05/22
5月24日(水)からパシフィコ横浜で開催される「自動車技術展:人とくるまのテクノロジー展2017 横浜」に出展します
2017/05/18
カブク、大手戦略コンサルティングファーム ローランド・ベルガーとデジタル製造分野でのソリューション連携において業務提携
2017/04/26
《書籍掲載情報》オートデスク公認書籍「Fusion 360 Masters」にてインダストリアルデザイナーが掲載されました
2017/04/18
日独安倍・メルケル両首相が「ハノーバー宣言」でIoT協働強化の声明-カブク代表稲田も日本の代表企業として招聘
2017/04/10
《メディア出演情報》ラジオ日本「あしたのリーダーたち」に代表稲田が出演しました
2017/04/05
《メディア掲載情報》会員限定ICT情報専門誌「M&DReport」にてカブクが掲載されました
2017/03/24
《メディア出演情報》ドイツ・ハノーバーでの国際見本市「CeBIT」出展にあたって「euronews」に代表稲田とRoserが出演しました
2017/03/24
《メディア掲載情報》日経産業新聞にて欧州最大のIT見本市「CeBIT」出展に関する記事が掲載されました
2017/03/17
カブク、3Dプリント工場向け受発注管理システム「Kabuku MMS」Ver. 2.0をリリース
2017/03/13
《講演登壇情報》「Recap of TensorFlow DEV SUMMIT 2017」にてCTO足立が登壇します
2017/03/13
《講演登壇情報》「実践!機械学習 – Web系企業 CTO が実例を公開」にてCTO足立が登壇します
2017/03/06
「MMS Connect金属3Dプリンターのオンライン受託造形サービス」をリリースしました
2017/02/28
《講演登壇情報》大阪・東京で開催される「Cloud Days 2017」(日経BP主催)にて弊社インダストリアルデザイナーが講演登壇いたします
2017/02/23
《講演登壇情報》Mirai Salon第3回目「日本流オープンイノベーションとCVCの未来」にて代表稲田が登壇しました
2017/02/17
《メディア掲載情報》「物流ニッポン」に代表稲田のインタビュー記事が掲載されました
2017/02/13
《メディア掲載情報》週刊東洋経済に弊社カブクが有望ベンチャーとして掲載されました
2017/02/12
【展示会出展情報】2月15日(水)から東京ビッグサイトで開催される「3D Printing 2017」 に出展します
2017/02/07
《メディア掲載情報》「物流ニッポン」に日通との業務提携に関する記事が掲載されました
2017/02/06
カブク、特許出願中の人工知能を活用した製造方法・工場最適化技術により、オンデマンド製造サービスを強化

